Пример алгоритма работы систем противодымной вентиляции
По просьбам трудящихся)
Внимание! Универсального алгоритма нет! Алгоритм разрабатывается под конкретный проект!
Описание объекта
Здание представляет собой отдельно стоящий двухсекционный (10 и 14 этажей) многоквартирный жилой дом со встроенной одноэтажной подземной автостоянкой, помещениями БКТ на 1-ом этаже и техническим пространством для прокладки инженерных коммуникаций в верхней части здания (теплый чердак).
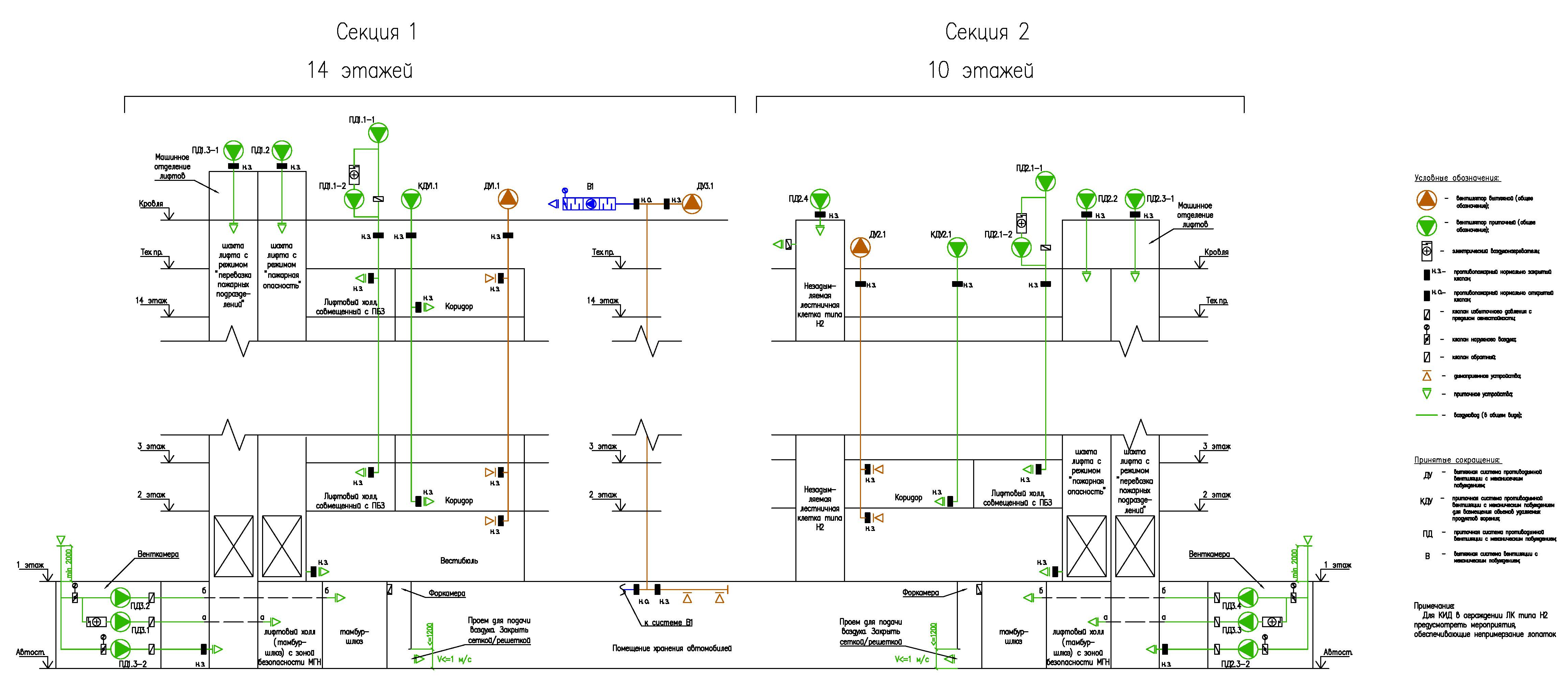
Структурная схема противодымной вентиляции объекта

Рис. 1 Структурная схема противодымной вентиляции многоквартирного жилого дома со встроенной одноэтажной подземной автостоянкой
Алгоритм работы систем противодымной вентиляции
Прежде всего обращаем Ваше внимание на п. 6.24 [1]:
Для зданий и помещений, оборудованных автоматическими установками пожаротушения и (или) автоматической пожарной сигнализацией, следует предусматривать автоматическое отключение при пожаре систем общеобменной вентиляции, кондиционирования воздуха и воздушного отопления (далее - системы вентиляции), а также закрытие противопожарных нормально открытых клапанов.
Отключение систем вентиляции и закрытие противопожарных нормально открытых клапанов должно осуществляться по сигналам, формируемым автоматическими установками пожаротушения и (или) автоматической пожарной сигнализацией, а также при включении систем противодымной вентиляции в соответствии с пунктом 7.19.
Необходимость частичного или полного отключения систем вентиляции и закрытия противопожарных клапанов должна определяться в соответствии с технологическими требованиями.
Требования пункта 6.24 не распространяются на системы подачи воздуха в тамбуры-шлюзы помещений категорий А и Б.
Дальше речь пойдет о системах противодымной вентиляции.
Возникновение пожара предполагается в одном помещении на одном из этажей одного пожарного отсека (п. 7.1 [1]).
Включение оборудования противодымной вентиляции осуществляется автоматически (от автоматической пожарной сигнализации или автоматических установок пожаротушения) и дистанционно (с пульта дежурной смены диспетчерского персонала и от кнопок, установленных у эвакуационных выходов или в пожарных шкафах) (п. 7.20 [1]).
Запуск систем приточной противодымной вентиляции должен осуществляться с задержкой на 20÷30 секунд относительно включения систем вытяжной противодымной вентиляции (п. 7.20 [1]).
Исполнительные механизмы противопожарных клапанов систем противодымной защиты здания должны сохранять заданное при пожаре положение заслонки клапана при отключении электропитания привода клапана (п. 7.19 [1]).
Тип привода, устанавливаемого на системы противодымной вентиляции - электромеханический без возвратной пружины с дополнительными контактами сигнализации положения (открыт/закрыт).
Рабочее напряжение приводов клапанов - 220В, если иное не предусмотрено соответствующими нормативными документами.
Информация о положении заслонки выводится на пульт управления пожарной сигнализацией.
Обозначение противопожарных клапанов, принятое в алгоритме:

Алгоритм работы систем противодымной вентиляции
Алгоритм работы систем противодымной вентиляции жилой части
Алгоритм работы систем противодымной вентиляции подземной автостоянки
Примечание касательно лифтов:
Алгоритм работы лифтов при пожаре приведен в [3].
При пожаре в жилой части:
Оба лифта секции переводятся в фазу I - режим работы "Пожарная опасность". В фазу II - режим работы "Перевозка пожарных подразделений" - переводится один из лифтов в ручном режиме при помощи универсального ключа.
При пожаре в автостоянке:
Только лифт, соединяющий жилую часть и автостоянку, переводится в фазу I и затем в фазу II. Лифт жилой части, который не опускается в автостоянку продолжает работать в нормальном режиме (т.к. шахты лифтов конструктивно разделены).
Описание работы систем приточной противодымной вентиляции ПБЗ жилой части
Варианты систем могут быть различными. Подробно об этом говорили в статье "Подача воздуха в пожаробезопасную зону (ПБЗ)".
В нашем случае:
Подача наружного воздуха в ПБЗ осуществляется только на этаже с очагом пожара.
Проектом предусмотрены два вентилятора, работающие на одну систему:
Вентилятор №1 – вентилятор для создания минимально необходимой скорости истечения воздуха в проеме двери;
Вентилятор №2 – вентилятор с электрическим воздухонагревателем для создания избыточного давления в защищаемом помещении. Электрический воздухонагреватель оснащен термостатом защиты от перегрева.
Алгоритм работы систем подпора в ПБЗ жилой части
Корректная работа вентилятора №2 обеспечивается обратным клапаном.
Пуск/отключение вентилятора №1 осуществляется по управляющему сигналу от датчика положения двери, установленного на двери входа в ПБЗ.
Описание работы систем приточной противодымной тамбур-шлюзов у выходов из лифтов подземной автостоянки
Варианты систем могут быть различными. Подробно об этом говорили в статьях "Подача воздуха в тамбур-шлюзы" и "Применение систем подпора в тамбур-шлюзы для возмещения объемов удаляемых продуктов горения. Часть 2. Подземные автостоянки".
В подземной автостоянке предусматривается устройство парно-последовательно расположенных тамбур-шлюзов (внешний и внутренний) при выходах из лифтов. Внутренний тамбур-шлюз представляет собой лифтовый холл, совмещенный с пожаробезопасной зоной. Внешний тамбур-шлюз – тамбур-шлюз при выходе из лифтового холла.
Подача наружного воздуха в ПБЗ осуществляется только на этаже с очагом пожара.
Двери тамбур-шлюза подземной автостоянки НЕ ОБОРУДУЮТСЯ датчиками положения двери. Режим работы вентиляторов не зависит от положения дверей (при нашей схеме).
Проектом предусмотрены две независимые системы по одной на каждый тамбур-шлюз:
Вентилятор №1 – вентилятор для создания минимально необходимой скорости истечения воздуха в проеме двери. Обслуживает внешний тамбур шлюз. При этом КИД поддерживает избыточное давление в нормируемых пределах.
Вентилятор №2 - вентилятор с электрическим воздухонагревателем (с термостатом защиты от перегрева). Обслуживает внутренний тамбур-шлюз.
Рассмотрим еще один случай
Рис. 2 Схема размещения систем противодымной вентиляции
При данном архитектурном решении при обнаружении факторов пожара в "Коридоре 2" действующими системами являются: ДУ2 и КДУ2. При этом лифты согласно [3] переходят в фазу I.
Еще раз: действующие системы в "Коридоре 2" - только ДУ2 и КДУ2. Лифты согласно [3] переходят в фазу I, но подпор в лифты не дается!
При обнаружении факторов пожара в "Коридоре 1" действующими системами являются: ДУ1, КДУ1, ПД1, ПД2, ПД3. Лифты согласно [3] переходят в фазу I.
Но при определении суммарной мощности систем в данном случае необходимо учитывать и системы "Коридора 1" и системы "Коридора 2": ДУ1, КДУ1, ПД1, ПД2, ПД3, ДУ2, КДУ2.
Это подтверждают слова Колчева Б.Б. [2] (материалы от Колчева Б.Б. собираем здесь):
Вопрос:
Каким образом регламентируется зонирование по реальным пожарным ситуациям? Чем руководствоваться технологу?
Ответ:
Изначально зонирование осуществляется по пожарным отсекам, поскольку они являются автономными частями здания. Норма построена таким образом, что пожар не рассматривается одновременно в двух и более пожарных отсеках, за редким исключением, например, если здание достаточно крупное.
Если пожар происходит в коридоре, защищенном системой вытяжной противодымной вентиляции, начинает работать система данного коридора — вытяжная и приточная, — которая обеспечивает компенсацию, и включаются системы приточной противодымной вентиляции, которые обеспечивают подачу воздуха в незадымляемую лестничную клетку и лифтовые шахты, сообщающиеся с таким коридором.
Если речь идет о помещении и системе, защищающей данное помещение, то должна заработать эта система. Если помещение имеет выход в коридор, защищенный системой, то включается и система в коридоре. И далее по путям эвакуации, если они содержат системы приточной противодымной вентиляции, т.е. включаются системы в лестничных клетках, лифтовых шахтах.
Нет смысла запускать одновременно все системы вытяжной противодымной вентиляции пожарного отсека. Включается система только в помещении, где произошел пожар, если такое помещение оснащено системой, и в коридоре, который расположен на путях эвакуации из этого помещения. Более точно на этот вопрос, конечно, можно ответить в виде конкретного проекта, конкретного вопроса и по конкретному зданию.
Библиография
[1] СП 7.13130.2013 "Отопление, вентиляция и кондиционирование. Требования пожарной безопасности (с Изменениями N 1, 2)"
[2] Практические рекомендации по проектированию систем пожарной безопасности. Часть 4. 2013
[3] ГОСТ 34305-2017 (EN 81-72:2015) Лифты пассажирские. Лифты для пожарных (с Поправкой)
27.10.2020
Благодарим за внимание!
Подписывайтесь на нас в Telegram!
Мы в Яндекс.Дзен!